



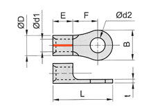
圓型端子
商品編號:R
- 折扣價:NT$
- 售價:NT$
- 定價:NT$
- 使用紅利點數:點
商品簡述:
尺寸區分完整,編號及規格列於下表中。
檔案下載
產品庫存:0
已販售:0
由於產品眾多,需詳細對照選購,謝謝。

Unit:mm / inch
| ITEM NO | ø d2 | B | L | F | E | ø D | ø d1 | t | AWG | DINmm² | Q'TY(包) | Q'TY(盒) |
| R0.5-2 | 2.2 .087 |
5.2 .205 |
12.4 .488 |
5.8 .228 |
4.0 .157 |
2.0 .079 |
1.0 .039 |
0.5 .0197 |
26-22 | 0.14-0.36 | ||
| R0.5-3 | 3.2 .126 |
|||||||||||
| R0.5-4 | 4.3 .169 |
6.6 .260 |
15.0 .591 |
7.7 .303 |
||||||||
| R0.5-5 | 5.3 .209 |
8 .315 |
7.0 .276 |
|||||||||
| R1.25-3S | 3.2 .126 |
5.5 .217 |
11.3 .445 |
4.0 .157 |
4.5 .177 |
3.3 .130 |
1.7 .067 |
0.8 .032 |
22-16 | 0.5-1.5 | ||
| R1.25-3 | 3.7 .146 |
|||||||||||
| R1.25-3M | 6.6 .260 |
14.1 .555 |
6.3 .248 |
|||||||||
| R1.25-4M | 4.3 .169 |
|||||||||||
| R1.25-4 | 8.0 .315 |
15.5 .610 |
7.0 .276 |
|||||||||
| R1.25-5 | 5.3 .209 |
|||||||||||
| R1.25-6 | 6.4 .252 |
11.6 .457 |
21.3 .839 |
11.0 .433 |
||||||||
| R1.25-8 | 8.4 .331 |
|||||||||||
| R1.25-10 | 10.5 .413 |
13.6 .535 |
25.2 .991 |
13.9 .574 |
||||||||
| R1.25-12 | 13.0 .512 |
19.0 .748 |
29.0 1.142 |
15.0 .591 |
||||||||
| R2-3S | 3.2 .126 |
5.5 .217 |
13.6 .535 |
6.3 .248 |
4.5 .177 |
4.0 .157 |
2.3 .091 |
0.8 .032 |
16-14 | 1.5-2.5 | ||
| R2-3 | 3.7 .146 |
8.5 .335 |
16.0 .630 |
7.24 .285 |
||||||||
| R2-3M | 6.6 .260 |
14.1 .555 |
6.3 .248 |
|||||||||
| R2-4M | 4.3 .169 |
|||||||||||
| R2-4 | 8.5 .335 |
16.0 .630 |
7.3 .287 |
|||||||||
| R2-5 | 5.3 .209 |
9.5 .347 |
16.5 .650 |
|||||||||
| R2-6 | 6.4 .252 |
11.6 .457 |
21.5 .846 |
11.0 .433 |
||||||||
| R2-8 | 8.4 .331 |
|||||||||||
| R2-10 | 10.5 .413 |
13.6 .535 |
25.2 .992 |
13.9 .574 |
||||||||
| R2-12 | 13.0 .512 |
19.0 .748 |
29.0 1.142 |
15.0 .591 |
||||||||
| R3.5-3S | 3.7 .146 |
7 .276 |
17.2 .677 |
7.7 .303 |
6.0 .236 |
5.0 .197 |
3.0 .118 |
1.0 0.39 |
14-12 | 2.5-4 | ||
| R3.5-4S | 4.3 .169 |
|||||||||||
| R3.5-4 | 8.0 .315 |
17.7 .697 |
||||||||||
| R3.5-5 | 5.3 .209 |
|||||||||||
| R3.5-6 | 6.4 .252 |
12.0 .472 |
21.4 .843 |
9.4 .37 |
||||||||
| R3.5-8 | 8.4 .331 |
15.0 .591 |
27.2 1.091 |
13.0 .512 |
6.5 .260 |
|||||||
| R3.5-10 | 10.5 .413 |
|||||||||||
| R3.5-12 | 13.0 .512 |
19.0 .748 |
31.0 1.22 |
15.0 .591 |
||||||||
| R5.5-3S | 3.7 .146 |
7.2 .283 |
17.85 .703 |
7.75 .305 |
6.5 .260 |
5.5 .217 |
3.4 .134 |
1.0 .039 |
12-10 | 4-6 | ||
| R5.5-4S | 4.3 .591 |
|||||||||||
| R5.5-4 | 9.5 .388 |
19.0 .748 |
||||||||||
| R5.5-5 | 5.3 .209 |
|||||||||||
| R5.5-6 | 6.4 .252 |
12.0 .472 |
23.0 .906 |
10.5 .413 |
||||||||
| R5.5-8 | 8.4 .331 |
15.0 .591 |
27.7 1.091 |
13.7 .539 |
||||||||
| R5.5-10 | 10.5 .413 |
|||||||||||
| R5.5-12 | 13.0 .512 |
19.0 .748 |
31.0 1.22 |
15.0 .591 |
||||||||
| R8-4NK | 4.3 .169 |
9.0 .367 |
16.5 .650 |
5.8 .228 |
6.2 .244 |
7.1 280 |
4.5 .177 |
1.2 .047 |
8 | 10 | ||
| R8-5NK | 5.3 .209 |
9.0 .367 |
16.5 .650 |
5.8 .228 |
6.2 .244 |
|||||||
| 8.5 .355 |
||||||||||||
| R8-4S | 4.3 .169 |
22.3 .878 |
9.3 .366 |
|||||||||
| R8-4 | 12.0 .472 |
23.8 .937 |
||||||||||
| R8-5S | 5.3 .209 |
9.0 .367 |
22.3 .878 |
|||||||||
| R8-5 | 12.0 .472 |
23.8 .937 |
||||||||||
| R8-6 | 6.4 .252 |
12.0 .472 |
23.8 .937 |
|||||||||
| R8-6L | 15.0 .591 |
29.8 1.173 |
13.8 .543 |
|||||||||
| R8-8 | 8.4 .331 |
|||||||||||
| R8-10 | 10.5 .413 |
|||||||||||
| R8-12 | 13.0 .512 |
19.0 .748 |
33.0 1.299 |
15.0 .59 |
||||||||
| R8-14 | 15.0 .591 |
30.0 1.181 |
44.0 1.732 |
20.5 .807 |
||||||||
| R8-16 | 17.0 .67 |
|||||||||||
| R8-18 | 19.0 .748 |
|||||||||||
| R8-20 | 21.0 .827 |
|||||||||||
| R14-4 | 4.3 .169 |
12.0 .472 |
27.5 1.083 |
11.5 .453 |
10.0 .394 |
9.0 .354 |
5.8 .228 |
1.5 .059 |
6 | 16 | ||
| R14-5 | 5.3 .209 |
|||||||||||
| R14-5S | 9.5 .374 |
26.25 1.033 |
||||||||||
| R14-6 | 6.4 .252 |
12.0 .472 |
27.5 1.083 |
|||||||||
| R14-8 | 8.4 .331 |
16.0 .630 |
32.0 1.26 |
14.0 .551 |
||||||||
| R14-10 | 10.5 .414 |
|||||||||||
| R14-11 | 11.5 .453 |
22.0 .866 |
41.0 1.164 |
19.5 .768 |
10.5 .413 |
|||||||
| R14-12 | 13.0 0.512 |
|||||||||||
| R14-14 | 15.0 .591 |
30.0 1.181 |
46.0 1.811 |
20.5 .807 |
||||||||
| R14-16 | 17.0 .669 |
|||||||||||
| R14-18 | 19.0 .748 |
|||||||||||
| R14-20 | 21.0 .827 |
|||||||||||
| R22-5S | 5.3 .209 |
12.0 .472 |
31.5 1.24 |
13.5 .531 |
12.0 .472 |
11.4 .055 |
7.7 .303 |
1.8 .071 |
4 | 25 | ||
| R22-6S | 6.4 .252 |
|||||||||||
| R22-8S | 8.4 .331 |
|||||||||||
| R22-5 | 5.3 .209 |
16.5 .650 |
33.7 1.327 |
|||||||||
| R22-6 | 6.4 .252 |
|||||||||||
| R22-8 | 8.4 .331 |
|||||||||||
| R22-10S | 10.5 .413 |
|||||||||||
| R22-10 | 17.5 .689 |
36.7 1.445 |
16.0 .630 |
|||||||||
| R22-11 | 11.5 .453 |
22.0 .866 |
42.5 1.673 |
19.5 .768 |
||||||||
| R22-12 | 13.0 .512 |
|||||||||||
| R22-14 | 15.0 .512 |
30.0 1.181 |
47.5 1.87 |
20.5 .807 |
||||||||
| R22-16 | 17.0 .669 |
|||||||||||
| R22-18 | 19.0 .748 |
|||||||||||
| R22-20 | 21.0 .827 |
|||||||||||
| R38-5S | 5.3 .209 |
15.3 .602 |
37.7 1.484 |
16.0 .630 |
14.0 .551 |
13.3 .524 |
9.4 .370 |
1.8 .071 |
2 | 35 | ||
| R38-6S | 6.4 .252 |
|||||||||||
| R38-8S | 8.4 .331 |
|||||||||||
| R38-10S | 10.5 .413 |
|||||||||||
| R38-6 | 6.4 .252 |
22.0 .886 |
42.7 1.681 |
17.7 .697 |
||||||||
| R38-8 | 8.4 .331 |
|||||||||||
| R38-10 | 10.5 .413 |
|||||||||||
| R38-11 | 11.5 .453 |
|||||||||||
| R38-12 | 13.0 .512 |
|||||||||||
| R38-14 | 15.0 .591 |
30.0 1.181 |
49.5 1.949 |
20.5 .804 |
||||||||
| R38-16 | 17.0 .669 |
|||||||||||
| R38-18 | 19.0 .748 |
|||||||||||
| R38-20 | 21.0 .827 |
|||||||||||
| R60-6 | 6.4 .252 |
22.0 .866 |
49.7 1.957 |
20.7 .815 |
18.0 .709 |
15.4 .606 |
11.4 .449 |
2.0 .079 |
1/0 | 50 | ||
| R60-8 | 8.4 .331 |
|||||||||||
| R60-10 | 10.5 .413 |
|||||||||||
| R60-11 | 11.5 .453 |
|||||||||||
| R60-12 | 13.0 .512 |
|||||||||||
| R60-14 | 15.0 .591 |
32.0 1.260 |
57.5 2.264 |
23.5 .925 |
||||||||
| R60-16 | 17.0 .669 |
|||||||||||
| R60-18 | 19.0 .748 |
|||||||||||
| R60-20 | 21.0 .827 |
|||||||||||
| R60-22 | 23.0 .906 |
|||||||||||
| R70-6 | 6.4 .252 |
24.0 .945 |
51.0 2.008 |
20.0 .787 |
19.0 7.48 |
17.5 .689 |
13.3 .524 |
2.0 .079 |
2/0 | 70 | ||
| R70-8 | 8.4 .331 |
|||||||||||
| R70-10 | 10.5 .413 |
|||||||||||
| R70-11 | 11.5 .453 |
|||||||||||
| R70-12 | 13.0 .512 |
|||||||||||
| R70-14 | 15.0 .591 |
32.0 1.260 |
58.5 2.303 |
23.5 .925 |
||||||||
| R70-16 | 17.0 .669 |
61.0 2.401 |
26.0 1.024 |
|||||||||
| R70-18 | 19.0 .748 |
|||||||||||
| R70-20 | 21.0 .827 |
|||||||||||
| R70-22 | 23.0 .906 |
|||||||||||
| R80-6 | 6.4 .252 |
27.0 1.063 |
54.0 2.126 |
20.5 .807 |
20.0 .787 |
19.4 .764 |
14.5 .570 |
2.3 .091 |
3/0 | 95 | ||
| R80-8 | 8.4 .331 |
|||||||||||
| R80-10 | 10.5 .413 |
|||||||||||
| R80-11 | 11.5 .453 |
|||||||||||
| R80-12 | 13.0 .512 |
|||||||||||
| R80-8L | 8.4 .331 |
32.0 1.260 |
62.5 2.461 |
26.5 1.043 |
||||||||
| R80-10L | 10.5 .413 |
|||||||||||
| R80-12L | 13.0 .512 |
|||||||||||
| R80-14 | 15.0 .591 |
|||||||||||
| R80-16 | 17.0 .669 |
|||||||||||
| R80-18 | 19.0 .748 |
|||||||||||
| R80-20 | 21.0 .827 |
|||||||||||
| R80-22 | 23.0 .906 |
|||||||||||
| R100-6 | 6.4 .252 |
28.5 1.122 |
55.6 2.189 |
20.4 .803 |
21.0 .827 |
22.0 .866 |
16.4 646 |
2.6 .102 |
4/0 | 120 | ||
| R100-8 | 8.4 .331 |
|||||||||||
| R100-10 | 10.5 41.3 |
|||||||||||
| R100-11 | 11.5 .453 |
|||||||||||
| R100-12 | 13.0 .512 |
|||||||||||
| R100-8L | 8.4 .331 |
32.0 1.260 |
63.5 2.500 |
26.5 1.043 |
||||||||
| R100-10L | 10.5 .413 |
|||||||||||
| R100-12L | 13.0 .512 |
|||||||||||
| R100-14 | 15.0 .591 |
|||||||||||
| R100-16 | 17.0 .669 |
|||||||||||
| R100-18 | 19.0 .748 |
|||||||||||
| R100-20 | 21.0 .827 |
|||||||||||
| R100-22 | 23.0 .906 |
|||||||||||
| R150-6 | 6.4 .252 |
36.0 1.417 |
66.0 2.598 |
23.0 0.906 |
27.0 1.063 |
26.5 1.043 |
19.5 .768 |
3.2 .126 |
250-300 mcm |
150 | ||
| R150-8 | 8.4 .331 |
|||||||||||
| R150-10 | 10.5 .413 |
|||||||||||
| R150-11 | 11.5 .453 |
|||||||||||
| R150-12 | 13.0 .512 |
|||||||||||
| R150-14 | 15.0 .591 |
|||||||||||
| R150-16 | 17.0 .669 |
|||||||||||
| R150-8L | 8.4 .331 |
81.0 3.289 |
36.0 1.417 |
|||||||||
| R150-10L | 10.5 .413 |
23.0 0.906 |
||||||||||
| R150-12L | 13.0 .512 |
36.0 1.417 |
||||||||||
| R150-18 | 19.0 .748 |
|||||||||||
| R150-20 | 21.0 .827 |
|||||||||||
| R150-22 | 23.0 .906 |
|||||||||||
| R150-24 | 25.0 .984 |
|||||||||||
| R150-27 | 28.0 1.102 |
|||||||||||
| R180-8 | 8.4 .331 |
38.5 1.516 |
69.0 2.717 |
24.5 0.965 |
28.5 1.122 |
28.5 1.122 |
21.0 .827 |
3.5 .138 |
350-400 mcm |
185 | ||
| R180-10 | 10.5 .413 |
|||||||||||
| R180-11 | 11.5 .453 |
|||||||||||
| R180-12 | 13.0 .512 |
|||||||||||
| R180-14 | 15.0 .591 |
|||||||||||
| R180-16 | 17.0 .669 |
|||||||||||
| R180-8L | 8.4 .331 |
86.8 3.417 |
39.0 1.535 |
|||||||||
| R180-10L | 10.5 .413 |
|||||||||||
| R180-12L | 13.0 .512 |
|||||||||||
| R180-16L | 17.0 .669 |
|||||||||||
| R180-18 | 19.0 .748 |
|||||||||||
| R180-20 | 21.0 .827 |
|||||||||||
| R180-22 | 23.0 .906 |
|||||||||||
| R180-24 | 25.0 .984 |
|||||||||||
| R180-27 | 28.0 1.102 |
|||||||||||
| R200-8 | 8.4 .331 |
44.0 1.732 |
72.0 2.835 |
24.5 0.965 |
31.5 1.240 |
32.5 1.280 |
24.0 .945 |
4.0 .157 |
400-450 mcm |
240 | ||
| R200-10 | 10.5 .413 |
|||||||||||
| R200-11 | 11.5 .453 |
|||||||||||
| R200-12 | 13.0 .512 |
|||||||||||
| R200-14 | 15.0 .591 |
|||||||||||
| R200-16 | 17.0 .669 |
|||||||||||
| R200-8L | 8.4 .331 |
91.0 3.583 |
37.5 1.476 |
|||||||||
| R200-10L | 10.5 .413 |
|||||||||||
| R200-12L | 13.0 .512 |
|||||||||||
| R200-16L | 17.0 .669 |
|||||||||||
| R200-18 | 19.0 .748 |
|||||||||||
| R200-20 | 21.0 .827 |
|||||||||||
| R200-22 | 23.0 .906 |
|||||||||||
| R200-24 | 25.0 .984 |
|||||||||||
| R200-27 | 28.0 1.102 |
|||||||||||
| R325-8 | 8.4 .331 |
50.0 1.969 |
88.0 3.456 |
33.5 1.139 |
35.5 1.398 |
37.0 1.457 |
28.0 1.102 |
4.5 .177 |
500-600 mcm |
300 | ||
| R325-10 | 10.5 .413 |
|||||||||||
| R325-11 | 11.5 .453 |
|||||||||||
| R325-12 | 13.0 .512 |
|||||||||||
| R325-14 | 15.0 .591 |
|||||||||||
| R325-16 | 17.0 .669 |
|||||||||||
| R325-8L | 8.4 .331 |
105.5 4.154 |
45.0 1.772 |
|||||||||
| R325-10L | 10.5 .413 |
|||||||||||
| R325-12L | 13.0 .512 |
|||||||||||
| R325-14L | 15.0 .591 |
|||||||||||
| R325-16L | 17.0 .669 |
|||||||||||
| R325-18 | 19.0 .748 |
|||||||||||
| R325-20 | 21.0 .827 |
|||||||||||
| R325-22 | 23.0 .906 |
|||||||||||
| R325-24 | 25.0 .984 |
|||||||||||
| R325-27 | 28.0 1.102 |
產品庫存:0
已販售:0
由於產品眾多,需詳細對照選購,謝謝。
- 折扣價:NT$
- 售價:NT$
- 定價:NT$